for those who believe that armed with a good guitar and a great amp they can conquer the world...

Back

THE INTERNAL CHASSIS OF THIS GUITAR AMPLIFIER CONTAINS POTENTIALLY DANGEROUS, LETHAL ACTUALLY, VOLTAGES!

Back

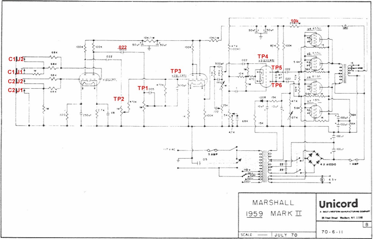
Marshall JCM 800 Model 1959 Schematic

Back

*Tom Deering and deering valve amplification have no connection or association with The Fender Musical Instrument Company, Jim Marshall Products LTD,  HIWATT USA or HIWATT UK. Any use of  names trademarked by these or any other company on this website is hereby acknowledged.

Back

Copyright © 2008, deering valve amplification & SolarPress
Web Design by: Master of the Cosmos Publishing DBA SolarPress.net
this page updated: 13 Dec 2008 14:31

deeringvalveamps.com is home of Tom Deering deeringvalveamplification.com